SYSTEM
EPCON Evaporation Technology is a highly recognized supplier for energy-efficient evaporation technology and heat recovery solutions, located in the Nordics and operating globally. When a client requested a feasibility study for a complex solvent-X recovery system, EPCON turned to CHEMCAD simulation technology.
SIMULATION
Working closely with the client, EPCON leveraged its expertise in concept investigation to establish the design basis. Key specifications—such as flow rates, component concentrations, temperature, pressure, and solvent recovery percentage—were used as inputs for the CHEMCAD unit operations.
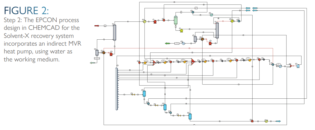
The primary objective of the simulation was to verify the vapor-liquid equilibrium and ensure effective separation of the solvent from the feed mixture while estimating the energy consumption for specific unit operations. The next step involved analyzing energy demands and process conditions to develop a heat recovery system using an indirect mechanical vapor recompression (MVR) heat pump. This system utilizes water as the working medium, enabling the entire process to operate without the need
for boiler steam.
SOLUTION
Using CHEMCAD, EPCON effectively optimized their distillation and evaporation processes. Product concentration and reboiler energy were fine-tuned before addressing the utility side of the process, allowing for the successful integration and optimization of the indirect MVR heat pump system.
The CHEMCAD simulation enabled EPCON to:
- Verify and optimize component separation
- Improve separation performance
- Enhance energy recovery
- Streamline process design and development
ELEMENTS OF SUCCESS
As a leading company in the Scandinavian market, EPCON possesses the skill and expertise to tackle advanced projects. However, the complex nature of solvent recovery, combined with MVR heat pump integration, made this an
especially challenging endeavor.
Thanks to CHEMCAD’s comprehensive simulation capabilities, EPCON successfully navigated these complexities and delivered an eco-friendly, energy efficient technology for their customer.

