SYSTEM
Biorefining leader, ICM Inc, challenged their Process Engineering Department (PED) to evaluate the quantity
of evaporators needed to increase the production rate of a biofuel facility.
SIMULATION
PED engineers gathered initial field processing data such as existing flow rates, temperature, pressure, composition of the
hot and cold fluids, and equipment surface area as input for the initial CHEMCAD simulation. The goal of the simulation
was to calculate overall heat transfer coefficients (U values) of the evaporators under current operations. The calculated U
values can be used to evaluate the effect of higher flow rates of fluids.
SOLUTION
Once the second simulation was created for increased flow rates, the calculated U values from the previous simulation
became the input of this second simulation. Inside the evaporator unit operation, engineers included specifications
to condense all of the vapors (hot fluid). With these conditions, it was possible to calculate the required future surface area to determine how many more evaporators were required to meet the facility’s increased demand.
ELEMENTS OF SUCCESS
Once the new evaporators were commissioned, field data validated that the simulated evaporators within the facilities met the
increased production rate goals.
With the creation of the two CHEMCAD simulations, it was not only possible to provide a solution to the facility, but CHEMCAD also provided a new tool/skill to the PED team to properly evaluate future projects that require a similar assessment.

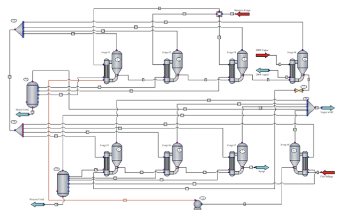
FIGURE 1 Facility model with the original equipment.

FIGURE 2 CHEMCAD model #2 includes the new evaporator to accommodate higher flow rates.